Page 16 - 电力与能源2021年第三期
P. 16
2 7 8 王固萍, 等: 直接分析法在钢结构变电站结构设计中的应用
相关外, 实际上还与结构体系、 荷载条件和约束条 当θ i , max>0.25 时, 应增大结构的侧移刚度或采用
II
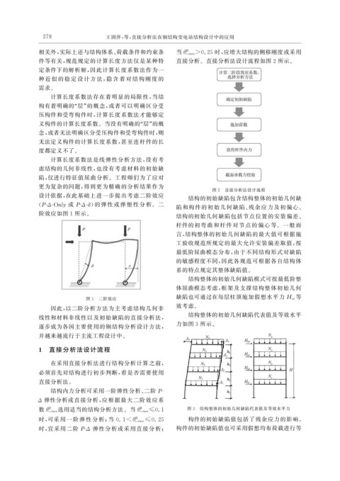
件等有关, 规范规定的计算长度方法仅是某种特 直接分析。直接分析法设计流程如图 2 所示。
定条件下的解析解, 因此计算长度系数法作为一
种近 似 的 稳 定 设 计 方 法, 隐 含 着 对 结 构 刚 度 的
需求。
计算长度系数法存在着明显的局限性, 当结
构有着明确的“ 层” 的概念, 或者可以明确区分受
压构件和受弯构件时, 计算长度系数法才能够定
义构件的计算长度系数。当没有明确的“ 层” 的概
念, 或者无法明确区分受压构件和受弯构件时, 则
无法定义构件的计算长度系数, 甚至连杆件的长
度都定义不了。
计算长度系数法是线弹性分析方法, 没有考
虑结构的几何非线性, 也没有考虑材料的初始缺
陷, 仅进行特征值屈曲分析。工程师们为了应对
更为复杂的问题, 得到更为精确的分析结果作为
图 2 直接分析法设计流程
设计依据, 在此基础上进一步提出考虑二阶效应 结构的初始缺陷包含结构整体的初始几何缺
( P-Δ-Onl y 或 P-Δ-δ ) 的 弹 性 或 弹 塑 性 分 析。二
陷和构件的初始几何缺陷、 残余应力及初偏心。
阶效应如图 1 所示。
结构的初始几何缺陷包括节点位置的安装偏差、
杆件的初弯曲和杆件对节点的偏心等。一般而
言, 结构整体的初始几何缺陷的最大值可根据施
工验收规范所规定的最大允许安装偏差取值, 按
最低阶屈曲模态分布, 由于不同结构形式对缺陷
的敏感程度不同, 因此各规范可根据各自结构体
系的特点规定其整体缺陷值。
结构整体的初始几何缺陷模式可按最低阶整
体屈曲模态考虑, 框架及支撑结构整体初始几何
图 1 二阶效应 缺陷也可通过在每层柱顶施加假想水平力 Hni 等
因此, 以二阶分析方法为主考虑结构几何非 效考虑。
结构整体的初始几何缺陷代表值及等效水平
线性和材料非线性以及初始缺陷的直接分析法,
力如图 3 所示。
逐步成为各国主要使用的钢结构分析设计方法,
并越来越流行于主流工程设计中。
1 直接分析法设计流程
在采用直接分析法进行结构分析计算之前,
必须首先对结构进行初步判断, 看是否需要使用
直接分析法。
结构内力分析可采用一阶弹性分析、 二阶 P-
Δ 弹性分析或直接分析, 应根据最大二阶效应系
II II 图 3 结构整体的初始几何缺陷代表值及等效水平力
数θ i , max 选用适当的结构分析方法。当θ i , max≤0.1
II 构件的初始缺陷值包括了残余应力的影响。
时, 可采 用 一 阶 弹 性 分 析; 当 0.1< θ i , max≤0.25
时, 宜采用二阶 P-Δ 弹性分析或采用直接分析; 构件的初始缺陷值也可采用假想均布荷载进行等

