Page 123 - 电力与能源2024年第三期
P. 123
徐 良,等:U 型盾构与明挖现浇建设电力隧道走廊的技术造价对比 397
表 2 单舱断面开挖回填对比
开挖面 回填面 地表开挖 边坡长
类别
积/m 2 积/m 2 宽度/m 度/m
U 型盾构法 42.2 24.4 10.1 3.35
明挖喷锚支护 73.4 57.82 15.7 7.83
(U 盾/明挖)/% 57.5 42.2 64.3 42.8
表 3 U 型盾构及明挖现浇单位造价对比(不含 U 盾构
架管机设备摊销) (元·m )
-1
明挖现浇 U 型盾构 单位造价差异
序号 施工内容
单位造价 单位造价 (U 盾-明挖)
1 土方开挖及回填 5 000 2 200 -2 800
2 边坡支护 3 500 500 -3 000
3 主体结构 8 000 9 000 1 000
4 防水工程 4 000 900 -3 100
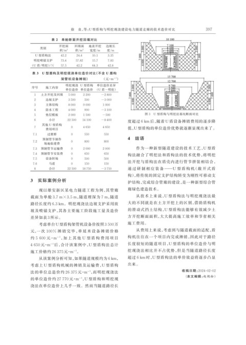
5 垫层模板 2 000 1 500 -500 图 3 U 型盾构与明挖法基坑断面对比
6 小计 22 500 14 100 -8 400 度超过 6 km 后,随着 U 盾设备摊销费用的逐步降
其他 U 型盾构
7 0 4 650 4 650 低,U 型盾构的单位造价优势就逐渐显现出来了。
费用项目
7.1 过渡桥 0 550 550
预制管节制作 4 结语
7.2 0 800 800
场地临建费
7.3 预制管节运输费 0 2 000 2 000 作为一种新型隧道建设的技术工艺,U 型盾
7.4 预制管节安装费 0 650 650 构法融合了明挖法和盾构法的技术优势,将明挖
7.5 设备转场 0 500 500
法开挖与盾构法在盾壳内进行管节拼装相结合,
7.6 马道 0 150 150
8 合计 22 500 18 750 -3 750 通 过 研 制 相 应 装 备 ——U 型 盾 构 机(敞 开 式 盾
构),将传统的固定支护结构转变为刚性可移动支
3 实际案例分析 护结构,完成综合管廊的建设,是一种新型综合管
现以雄安新区某电力隧道工程为例,其管廊 廊绿色建造技术。
截面为单舱 3.7 m×3.5 m,隧道埋深为 7 m,隧道 从技术上来说,U 型盾构法与明挖现浇法最
路径长度约 6.3 km。明挖现浇法边坡支护采用放 大的不同就是在土方开挖上的区别,借助盾构机
坡及喷锚支护,其各主要施工阶段施工量及造价 的滑动式挡土结构,U 型盾构法能够有效减少土
差异如表 3 所示。 方开挖断面面积,大大提高施工效率和节省相关
考虑单台 U 型盾构架管机设备价按照 3 500万 施工费用。
元,一 次 100% 摊 销 完 毕 ,单 延 米 设 备 摊 销 价 格 从费用上来说,考虑到与隧道截面的适配,盾
约 5 600 元·m - 1 ,加 上 其 他 U 型 盾 构 费 用 项 目 构机往往在一个项目内完成摊销,因此对于路径
4 650 元·m -1 后,合计该案例中,U 型盾构法总计 长度较短的隧道项目,U 型盾构的单位造价与明
-1
施工价格约 26 375 元·m 。 挖现浇法相比并不占优势,但是当隧道路径长度
从该案例分析可知,如果隧道规模约为 6 km, 超过 6 km 时,U 型盾构法的单价效益将逐步凸显
考虑上 U 型盾构机械的摊销及运输费,U 型盾构 出来。
法的单位总造价约 26 375 元·m ,而明挖现浇法 收稿日期:2024-02-02
-1
(本文编辑:赵艳粉)
的单位造价约 27 770 元·m ,U 型盾构和明挖现
-1
浇法在单位造价上几乎一致。然而当隧道路径长

